Łatwy zwrot towaru
KUP LUB ODBIERZ W NASZYM SKLEPIE
Dane produktu
Przeznaczenie
W-PASS to pierwszy na rynku zestaw różnicowo-pompowy wykonany w formie monoblokowego odlewu żeliwnego. Wysokiej jakości powłoka antykorozyjna wykonana w technologii kataforezy (KTL) zapewni jego długie użytkowanie w ekstremalnych warunkach pracy. Zestaw różnicowo-pompowy W-PASS przeznaczony jest do zabezpieczenia grawitacyjnej instalacji wody pitnej lub instalacji centralnego ogrzewania w przypadku braku energii elektrycznej lub awarii pompy. Zastosowanie zestawu automatyzuje pracę instalacji oraz zapobiega zbyt dużemu wzrostowi temperatury i ciśnienia w układzie. W-PASS posiada wolny króciec przyłączeniowy do podłączenia grupy bezpieczeństwa.
Zestaw oparty jest konstrukcyjnie o pompę obiegową do c.o. i c.w.u PCOw 25/6 LFP przeznaczoną do centralnego ogrzewania oraz tłoczenia wody pitnej w układach c.u.w. Trzybiegowa pompa PCOw sprawdza się świetnie w domowych, małych i średnich układach centralnego ogrzewania gdzie temperatura wody waha się pomiędzy 5 - 110 st. C.
Zastosowanie
- domowe układy centralnego ogrzewania
- układy ciepłej, pitnej wody użytkowej
Zalety
- zapewniony obieg grawitacyjny w przypadku braku prądu lub awarii pompy!
- niskie zużycie energii
- brak konieczności obsługi
- wbudowany układ przeciwzwarciowy
- cichobieżność do 43dB (A)
- wysoka jakość wykonania
- łatwość instalacji i uruchomienia
Konstrukcja pompy
- część hydrauliczna
- pompa bezdławnicowa
- żeliwny korpus z króćcami o jednakowej średnicy poddany katoforezie
- wirnik zamknięty
- silnik
- "mokry" wirnik silnika
- 3 stopniowa regulacja prędkości obrotowej
- ceramiczny wał i łożyska promieniowe
- węglowe łożysko oporowe
- płyta łożyska ze stali nierdzewnej
- uzwojenie silnika podwójnie izolowane
- stojan wyposażony w otwory drenażowe
![Napięcie zasilania [V]: 230 Napięcie zasilania [V]: 230](/data/include/cms/ikony-projector/230v.png)
Parametry podstawowe | |
Wydajność max. [m³/h]:![]() Wydajność maksymalna Q max. - najwyższy możliwy przepływ cieczy przez pompę, przy najmniejszej możliwej wysokości podnoszenia H min. Aby właściwie dobrać pompę, należy wyznaczyć docelowy "punkt pracy" (wymagana wydajność i ciśnienie), uwzględniając wszystkie możliwe straty m.in. odległość pompowania, wysokość podnoszenia, przekroje rur itd. | 3,8 |
Wysokość podnoszenia max. [m]:![]() Wysokość podnoszenia H max. - najwyższa możliwa wysokość tłoczenia cieczy, przy najmniejszej możliwej wydajności Q min. Znając wysokość podnoszenia możemy w łatwy sposób określić maksymalne ciśnienie pompy. Wysokość podnoszenia 10m, to odpowiednik ok 1BAR ciśnienia. Gdy więc np. pompa ma max. 70m podnoszenia to w teorii powinna dać na wyjściu ok 7BAR. | 5,5 |
| Napięcie zasilania [V]: | 230 |
| Moc max. [W]: | 80 |
| Ciśnienie robocze max. [BAR]: | 3 |
Przyłącza | |
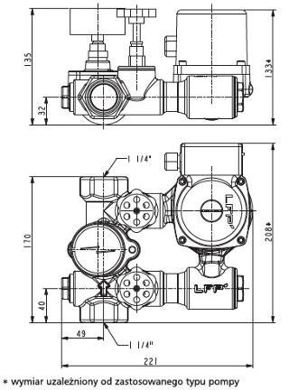
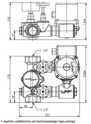
| Rodzaj przyłącza (króćca) wejściowego: | Gwint [cal] |
| Wymiar przyłącza wej.: | 5/4 |
| Rodzaj gwintu wej.: | W - wewnętrzny |
| Rodzaj przyłącza (króćca) wyjściowego: | Gwint [cal] |
| Wymiar przyłącza wyj.: | 5/4 |
| Rodzaj gwintu wyj.: | W - wewnętrzny |
Parametry elektryczne | |
| Stopień ochrony: | IP44 |
| Klasa izolacji silnika: | F |
Zalety / Przeciwwskazania | |
| Zastosowanie: | woda czysta |
| Temperatura cieczy max. [°C]: | +100 |
| Temperatura cieczy min. [°C]: | +5 |
Wymiary i waga | |
Wysokość [mm]:![]()
| 208 |
| Rozstaw między króćcami pompy [mm]: | 170 |
Szerokość [mm]:![]()
| 221 |
Długość [mm]:![]()
| 135 |
| Waga [kg]: | 5,1 |
2 lata - Gwarancja udzielana przez producenta na okres 24 miesięcy.
Gwarancja producenta na podstawie karty gwarancyjnej lub dowodu zakupu.
Klienci indywidualni: 24 miesiące
Firmy: 12 miesięcy
Podobne produkty




