Łatwy zwrot towaru
KUP LUB ODBIERZ W NASZYM SKLEPIE
Dane produktu
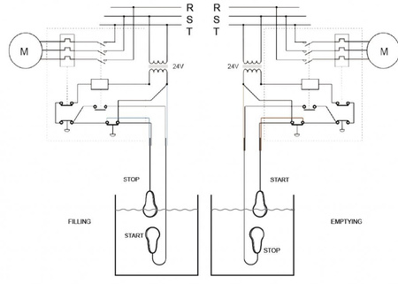
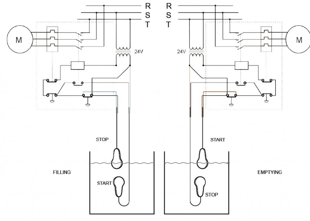
Wyłącznik pływakowy MAC5 z kablem PVC 3x1 jest regulatorem, który steruje pracą pompy, zaworu elektromagnetycznego czy alarmu, automatycznie go włączając bądź wyłączając po osiągnięciu ustalonego wcześniej zadanego poziomu cieczy.
MAC5 to profesjonalny wyłącznik pływakowy wykorzystywany głównie w przedsiębiorstwach wodno-kanalizacyjnych oraz przemyśle. Dzięki owalnemu i opływowemu kształtowi, sprawdza się głównie w miejscach gdzie występuje duże ryzyko "obrastania" szlamem zwłaszcza w bardzo specyficznym środowisku ściekowo - szlamowym.
Wewnątrz znajduje się mikro-przełącznik, który w zależności od poziomu cieczy otwiera lub zamyka styk uruchamiający pompę lub inne urządzenie.
Korpus wyłącznika wykonany jest z podwójnej polipropylenowej, hermetycznej ścianki, z uszczelnieniem dzięki któremu możliwa jest praca urządzenia w trudnych warunkach na dużych głębokościach. Kąt przełączania: +/-45° lub -/+10°.
Dostępny również w wersjach z kablem neoprenowym H07RNF 3x1 oraz fabrycznie z różnymi długościami kabla.
Certyfikat ENEC/CE 10(3)A 250V~.
Na specjalne zamówienie dostępna również wersja ATEX, wykorzystywana w miejscach gdzie istnieje zagrożenie wybuchem.
Parametry podstawowe | |
| Długość przewodu [m]: | 10 |
| Najważniejsze cechy: | podwójna komora wodoodporna dla maksymalnej niezawodności |
| Model pływaka: | MAC5 |
Przewód zasilający | |
| Przewód zasilający w komplecie: | Tak |
| Rodzaj przewodu: | PVC ![]() PVC - kabel do stosowania w wodzie lecz nie do stałego zanurzenia.
H05RN-F - giętkie kable zasilające o izolacji i powłoce gumowej. Kabel głównie wykorzystywany wewnątrz. Do sporadycznego wykorzystania w wodzie.
H07RN-F - giętkie kable zasilające o izolacji i powłoce gumowej. Kabel wewnętrzny i zewnętrzny z możliwością układania bezpośrednio w ziemi i wodzie. Odporność na promienie UV. Posiadają zwiększoną odporność mechaniczna i odporność na olej. |
| Przekrój żył [mm²]: | 3x1 |
Parametry elektryczne | |
| Prąd max. [A]: | 10(3) |
| Stopień ochrony: | IP68 |
Zalety / Przeciwwskazania | |
| Zastosowanie: | ścieki |
| Temperatura cieczy min. [°C]: | 0 |
| Temperatura cieczy max. [°C]: | +50 |
| Max. zanurzenie [BAR]: | 2 |
Wykonanie materiałowe | |
| "Głowa" wyłącznika: | nietoksyczny polipropylen |
Wymiary i waga | |
Wysokość [mm]:![]()
| 222 |
Szerokość [mm]:![]()
| 117 |
| Waga [kg]: | 2,1 |
Podobne produkty





