Łatwy zwrot towaru
Dane produktu
Konstrukcja:
Nowoczesny zestaw hydroforowy Wilo-HiMulti (Home Intelligence) to wielostopniowa pozioma pompa wirowa, samozasysająca do zaopatrzenia w wodę do użytku domowego.
Zastosowanie:
- Zaopatrzenie w wodę (certyfikat dopuszczający zastosowanie w połączeniu z wodą pitną zgodnie z ACS),
- zraszanie,
- nawadnianie i podlewanie,
- wykorzystanie wody deszczowej.
Zestaw zawiera:
- pompa z silnikiem,
- przełącznik ciśnieniowy,
- manometr,
- ciśnieniowe naczynie przeponowe 100 l,
- wąż ciśnieniowy z płaszczem stalowym i złączką gwintowaną,
- 1 sztuka złączki z tworzywa sztucznego z uszczelką do ręcznego podłączania do rury doprowadzającej,
- Wilo-Konektor (szybkozłączka elektryczna),
- instrukcja montażu i obsługi.
Cechy i zalety
- Prostota: Instalacja Plug & Pump,
- Sprawność: Wysokosprawna hydraulika, niskie zużycie prądu i niezwykle zwarta konstrukcja dzięki optymalizacji silnika,
- Automatyczna praca instalacji z wykluczeniem uderzeń hydraulicznych dzięki zastosowaniu przełączników ciśnienia i ciśnieniowego naczynia przeponowego,
- Cicha praca: Poziom hałasu między 56 dB(A) i 64 dB(A).
Wyposażenie i funkcje
- silnik zamocowany bezpośrednio na kołnierzu,
- przełącznik ciśnieniowy,
- ciśnieniowe naczynie przeponowe (membrana wymienna),
- kabel zasilający z wtyczką,
- termiczny wyłącznik zabezpieczenia silnika.
Budowa i wykonanie
- Korpus pompy w wersji Grivory FH1V-4 FWA z certyfikatami dopuszczającymi jego zastosowanie w połączeniu z wodą pitną zgodnie z ACS, WRAS i KTW,
- wirniki i płaszcz stopniowany z norylu 30% GF z certyfikatami dopuszczającymi jego zastosowanie w połączeniu z wodą pitną zgodnie z ACS, WRAS i KTW,
- Osłona pompy oraz wał ze stali nierdzewnej,
- uszczelnienie mechaniczne z ceramiki/węgla.
![Napięcie zasilania [V]: 230 Napięcie zasilania [V]: 230](/data/include/cms/ikony-projector/230v.png)
Parametry podstawowe | |
| Najważniejsze cechy: | przeznaczona do pracy ciągłej |
Wydajność max. [m³/h]:![]() Wydajność maksymalna Q max. - najwyższy możliwy przepływ cieczy przez pompę, przy najmniejszej możliwej wysokości podnoszenia H min. Aby właściwie dobrać pompę, należy wyznaczyć docelowy "punkt pracy" (wymagana wydajność i ciśnienie), uwzględniając wszystkie możliwe straty m.in. odległość pompowania, wysokość podnoszenia, przekroje rur itd. | 5,5 |
Wysokość podnoszenia max. [m]:![]() Wysokość podnoszenia H max. - najwyższa możliwa wysokość tłoczenia cieczy, przy najmniejszej możliwej wydajności Q min. Znając wysokość podnoszenia możemy w łatwy sposób określić maksymalne ciśnienie pompy. Wysokość podnoszenia 10m, to odpowiednik ok 1BAR ciśnienia. Gdy więc np. pompa ma max. 70m podnoszenia to w teorii powinna dać na wyjściu ok 7BAR. | 37 |
| Napięcie zasilania [V]: | 230 |
| Moc max. [W]: | 400 |
| Pojemność zbiornika [dm³]: | 100 |
| Orientacja zbiornika: | Poziomy |
| Rodzaj zbiornika: | Emaliowany, przeponowy (membranowy) |
Przyłącza | |
| Rodzaj przyłącza (króćca) wejściowego: | Gwint [cal] |
| Wymiar przyłącza wej.: | 1 |
| Rodzaj gwintu wej.: | W - wewnętrzny |
| Rodzaj przyłącza (króćca) wyjściowego: | Gwint [cal] |
| Wymiar przyłącza wyj.: | 1 |
| Rodzaj gwintu wyj.: | W - wewnętrzny |
Parametry elektryczne | |
| Silnik w komplecie: | Tak |
| Obroty [ilość/min]: | 2900 |
| Znamionowy prąd ciągły [A]: | 3 |
| Klasa izolacji silnika: | F |
| Stopień ochrony: | X4 |
Przewód zasilający | |
| Przewód zasilający w komplecie: | Tak |
Zalety / Przeciwwskazania | |
| Zastosowanie: | Woda czysta, deszczówka |
| Temperatura cieczy min. [°C]: | 0 |
| Temperatura cieczy max. [°C]: | +40 |
| Temperatura otoczenia min. [°C]: | -15 |
| Temperatura otoczenia max [°C]: | +40 |
| Ciśnienie robocze max. [BAR]: | 8 |
Dodatkowe wyposażenie i kompletność dostaw | |
Wyłącznik ciśnieniowy:![]() Steruje pracą silnika a dokładnie włącza go przy spadku ciśnienia poniżej zadanego poziomu oraz wyłącza gdy ciśnienie osiągnie ustawiony wcześniej poziom. | Tak |
| Manometr: | Tak |
| Wyjście tłoczne pięciodrożne: | Tak |
| Wąż antywibracyjny: | Tak |
Wykonanie materiałowe | |
| Wirnik: | PPE/PS-GF30 |
Wymiary i waga | |
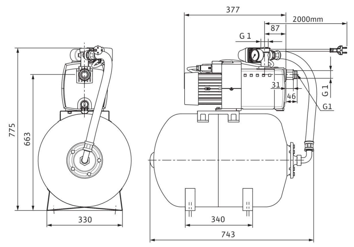
Wysokość [mm]:![]()
| 775 |
Długość [mm]:![]()
| 750 |
| Waga [kg]: | 18 |
Podobne produkty




